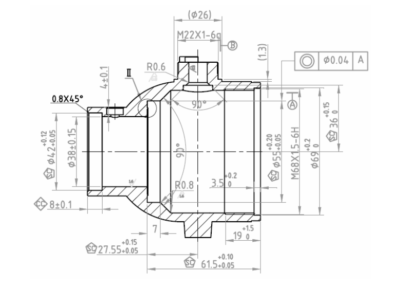
Seat processing case
The parts in the drawing are air-conditioned seats
Materials is HPb59-1
The machining parts are the dimensions in the drawing
The point of this case is only one clamping and three holes in the processing diagram.
Ensure the accuracy of each dimension and increase production efficiency.



